平鎮區中豐路南勢二段2層樓

最後更新:10小時內
房屋基本資料
案名平鎮區中豐路南勢二段2層樓案號113七17964
地址桃園市平鎮區中豐路南勢二段457巷23弄15號2層樓
銷售狀態待標中售價
售548萬售438萬
房屋類型法拍透天總登記坪數23.37 坪
格局屋齡44年
每坪單價18.74萬/坪公設比
車位座向
無障礙環境法拍屋 本物件是法拍屋
拍次 : 第三拍
開標日期 : 114/12/30(二)
建物所在樓層2層樓管理費
管委會中庭
電梯 未知 是否為凶宅
300公尺內嫌惡設施面前道路
面寬縱深
邊間房屋銷售來源不動產經紀人/專業仲介
房屋特色

▲拍賣公告:桃園法院
▲拍賣標的物:桃園市平鎮區中豐路南勢二段457巷23弄15號2層樓
▲【謄本資料】:
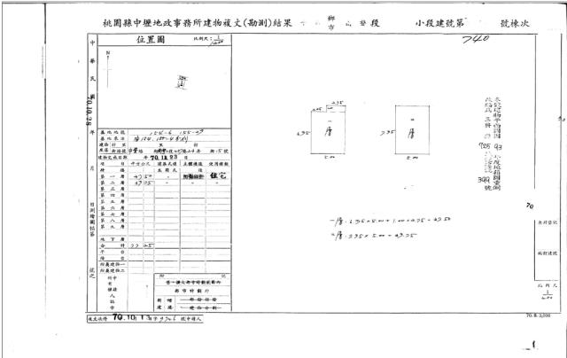
建物登記:總坪數23.37坪[主建坪23.37坪],另增建坪12.07坪
▲【法院筆錄】:本件拍賣標的建物於查封時據債務人田Ο靜在場稱係債務人及家屬自住使用,
屋況為:建物內堆置大量物品、天花板油漆剝落、有壁癌
▲【生活機能】:
▲【拍次說明】:
標售拍次(目前拍次底價):
第一拍底價:685萬
第二拍底價:548萬
第三拍底價:438萬
拍賣日期:114/12/30(二)
▲台北∣新北∣桃園∣新竹
★Houseinfo:http://www.xn--ogt54mdnjqrqpix.tw/
▲【代標服務】
<過濾案件>追蹤拍賣日期...
<評估案件>投標全場陪同及標價最後建議...
<包辦交屋>與法院協商現住人交屋事項...
<代墊尾款>辦理銀行代墊及投標尾款手續...

※此案件為法拍屋無法看屋,實際狀況以法院筆錄為主。
詳細資訊了解請撥李小姐(02)8260-2416|0986-508652
財欣不動產管理顧份有限公司【統一編號】28306523
坪數說明
建物登記總坪數23.37土地登記總坪數18.37
主建物坪數23.37停車位坪數
附屬建物坪數公共設施坪數
增建坪數12.07地下室坪數
房屋聯絡人資訊
聯絡人姓名李小姐
(煩請告知聯絡人,您是在889房屋資訊網看到這則廣告,真摯感恩您的幫忙)
手機
0986-508-652
Line加入好友Line加入好友
所屬公司名稱財欣不動產管理顧問有限公司/統編2830 6053
公司電話聯絡電話:02-82602416 / 0986508652公司傳真
公司地址新北市土城區金城路二段396號11樓/桃園市莊敬路一段346號4樓
網 址http://www.精選法拍屋.tw
贊助商廣告
大桃園廠房,大桃園工業地,大桃園工業地廠房
桃園廠房出租,桃園工業地,桃園廠房工業地
桃園平鎮透天法拍-1
桃園平鎮透天法拍-1
桃園平鎮透天法拍-2
桃園平鎮透天法拍-2
桃園平鎮透天法拍-3
桃園平鎮透天法拍-3

物件留言
請注意,如果您詢問的內容與物件不相符合或是廣告,經過審核,系統將會直接刪除您的發問內容
等待圖示
檢舉不實
等待圖示
黃金曝光
相似物件
www.889房屋.tw免責聲明:本系統為租用式開放房屋買賣網站建置平台,僅提供會員查詢-平鎮區中豐路南勢二段2層樓-等房屋資訊參考,並不涉入任何諮詢、交易。 物件(服務)聯絡人公佈的資訊、文字、照片、圖形、產權、廣告內容、或其他資料若有不實或違法情事,或與客戶聯絡交易過程中若衍生民事或刑事等法律問題,皆與本網站無關,所有商標、文章、名稱等版權,皆歸屬原著作者所有!
本網站保留一切權利,非經正式書面同意,禁止轉貼節錄。