新北市五股區民義路一段602號2樓

最後更新:12小時內
房屋基本資料
案名新北市五股區民義路一段60-2號2樓案號115/04/02,二拍,點交
地址新北市五股區民義路一段60-2號2樓
銷售狀態待標中售價
售1062萬
房屋類型法拍公寓總登記坪數40.7 坪
格局屋齡44年
每坪單價26.09萬/坪公設比
車位沒有車位座向
無障礙環境法拍屋 本物件是法拍屋
拍次 : 2
開標日期 : 115/04/02
建物所在樓層2/5管理費
管委會中庭
電梯 沒有 是否為凶宅不是
300公尺內嫌惡設施面前道路
面寬縱深
邊間房屋銷售來源不動產經紀人/專業仲介
房屋特色

新北市五股區法拍屋|民義路法拍|五股公寓法拍|五股住宅法拍



五股法拍屋-民義路一段60-2號2樓|公寓|待標中



房屋類型:住宅/公寓



建物所在樓層:2樓/總樓層5樓



屋齡:約44年



房屋格局:依現況



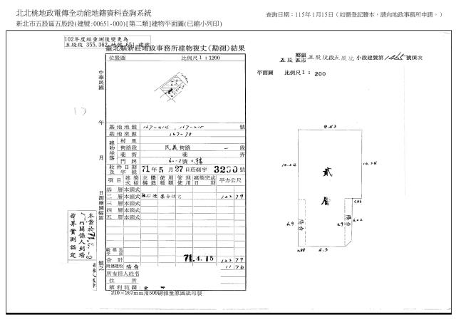
建物登記總坪數:40.7坪



主建物坪數:40.7坪



土地登記坪數:約1.9坪



建物結構:鋼筋混凝土造



主要用途:住家用



地址:新北市五股區民義路一段60-2號2樓



━━━━━━━━━━━━━━



生活機能:



鄰近工商路生活圈



周邊便利商店、餐飲、小吃林立



日常採買便利



開車可快速銜接五股市區與新莊方向



生活機能成熟



━━━━━━━━━━━━━━



【法院筆錄摘要】



●點交情形:拍定後點交



查封時由債務人及其家屬自住使用



未出租予他人



屋內一面牆壁有嚴重油漆剝落



並有壁癌情形



土地358、359地號



為建築基地及法定空地



需與本件建物一併移轉



本案為分割共有物案件



共有人具有優先承買權



屋內動產不在拍賣範圍內



若仍有遺留物



拍定人需依規定保管並通報法院處理



━━━━━━━━━━━━━━



【拍賣紀錄】



第一拍:1325.2萬



第二拍:1062萬



預估第三拍:848.2萬



━━━━━━━━━━━━━━



本案為法院公開標售之法拍物件,物件現況、產權登記、點交條件及拍賣時程等均以法院正式拍賣公告為準。



法拍貸款分為代墊尾款與一般房貸兩類,與104法拍網長期配合銀行亦可承作點交案件。



━━━━━━━━━━━━━━



代標找林小姐

安心又會標~Anna幫你買到家!



【投標諮詢|雙人代標】



林小姐Anna|0986-678-928(同LINE)

黃先生Pitt|0984-508-898(同LINE)



LINE官方名片

https://line.me/ti/p/MJcPvp3nG8



104法拍網法拍服務團隊



雙人代拍|全台專業代標|銀行貸款評估

坪數說明
建物登記總坪數40.7土地登記總坪數9.89
主建物坪數37.14停車位坪數
附屬建物坪數3.56公共設施坪數
增建坪數地下室坪數
房屋聯絡人資訊
聯絡人姓名林宸妍
(煩請告知聯絡人,您是在889房屋資訊網看到這則廣告,真摯感恩您的幫忙)
手機
0986-678-928
Line加入好友Line加入好友
所屬公司名稱財欣不動產管理顧問有限公司 統編:22857204|合法營業|提供正式發票
公司電話0986678928公司傳真
公司地址桃園市桃園區莊敬路一段346號4F
網 址http://www.0986678928.tw
贊助商廣告
桃園廠房,桃園廠房出租,桃園廠房出售
新北法拍屋,新北市法拍屋,新北法院法拍屋
五股公寓法拍-1
五股公寓法拍-1
五股公寓法拍-2
五股公寓法拍-2
五股公寓法拍-3
五股公寓法拍-3
五股公寓法拍-4
五股公寓法拍-4

物件留言
請注意,如果您詢問的內容與物件不相符合或是廣告,經過審核,系統將會直接刪除您的發問內容
等待圖示
檢舉不實
等待圖示
黃金曝光
相似物件
www.889房屋.tw免責聲明:本系統為租用式開放房屋買賣網站建置平台,僅提供會員查詢-新北市五股區民義路一段602號2樓-等房屋資訊參考,並不涉入任何諮詢、交易。 物件(服務)聯絡人公佈的資訊、文字、照片、圖形、產權、廣告內容、或其他資料若有不實或違法情事,或與客戶聯絡交易過程中若衍生民事或刑事等法律問題,皆與本網站無關,所有商標、文章、名稱等版權,皆歸屬原著作者所有!
本網站保留一切權利,非經正式書面同意,禁止轉貼節錄。