07-7963288
客服電話
House-Info房屋網
│
889house
│
申請房仲網站
首頁
台北
新北
基隆
桃園
新竹
苗栗
台中
彰化
南投
雲林
嘉義
台南
高雄
屏東
台東
花蓮
宜蘭
澎湖
首頁
›
台北房地產
›
台北法拍公寓
›
士林法拍公寓
›
台北市士林區重慶北路四段220巷37號1樓
台北市士林區重慶北路四段220巷37號1樓
最後更新:6小時內
檢舉不實
│
列印
│
物件留言
|
觀看地圖
台北市士林區重慶北路四段220巷37號1樓
台北市士林區重慶北路四段220巷37號1樓
房屋基本資料
案名
士林區重慶北路四段220巷37號1樓 靜巷公寓
案號
114實54654
地址
台北市士林區重慶北路四段220巷37號1樓
銷售狀態
待標中
售價
售1592萬
售1275萬
房屋類型
法拍公寓
總登記坪數
22.19 坪
格局
0房
屋齡
50年以上
每坪單價
57.46萬/坪
公設比
車位
座向
無障礙環境
法拍屋
本物件是法拍屋
拍次 : 2
開標日期 : 115/03/25(三)
建物所在樓層
1樓/共4樓
管理費
管委會
中庭
電梯
沒有
是否為凶宅
不是
300公尺內嫌惡設施
面前道路
面寬
縱深
邊間
房屋銷售來源
不動產經紀人/專業仲介
房屋特色
▌地址
台北市士林區重慶北路四段220巷37號1樓
▌公告內容
辦理法院|士林
案號|114實54654
拍賣時間|115/03/25(三)下午14:30
拍次|2拍
點交否|點交
▌拍賣情況
拍賣中
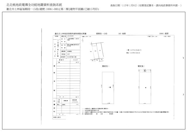
▌產權資料
社區名|
類型|公寓
樓層|1/4
屋齡|57
權狀坪|22.19
室內坪|23.38
公設坪|
土地坪|7.41
增建坪|1.19
車位|
車位坪|
▌拍賣資料
拍賣底價|1275萬元
保證金|256萬元
單價/坪|57.5萬元
標別|
▌預估拍次
一拍價格|1592萬元|71.7萬/坪
預估二拍|1275萬元|57.5萬/坪
預估三拍|1020萬元|46.0萬/坪
預估應買|1020萬元|46.0萬/坪
預估四拍|816萬元|36.8萬/坪
▌法院筆錄
1‧10061建號、11269建號拍定後點交。
2‧民國114年6月19日現場查封、指界時,據地政人員指出184地號土地係10061建號前方道路用地;債務人母親吳○華在場稱10061建號建物為其及女兒居住使用,廚房走道以前有漏水,鄰居整理完後已無漏水。依強制執行法第113條準用第69條之規定,拍賣物買受人就物之瑕疵無擔保請求權,不得於拍定後主張,請應買人留意。惟現在實際情形如何,仍請應買人自行查明注意。
3‧11269建號係未登記建物,位於廚房,據現場照片顯示與主建物(10061建號)內部相通,且無獨立出入口。臺北市建築管理工程處於114年7月29日函覆稱:係位於1樓後之水平增建違章建築,現況無明確事證可茲證明係新違建或既存違建等語。拆除風險請應買人自行注意,本件拍賣係以建物現況拍賣,當事人及拍定人均不得以面積不符,請求增減價金,拍定後無法以權利移轉證書辦理建物登記。
4‧184地號土地實際坐落地點、範圍,以地政機關之地籍圖及實際測量結果為準。土地使用分區於投標時是否已變更,仍請投標人自行查明注意後再行投標。《拍賣抵押物》
法拍代標專家TORO|18年法拍屋經驗,專業代標、合法透明、成功率高
✅專欄人物-黃瑋諭
在法拍市場中,資訊不對稱、法律風險、投標策略失誤,往往讓投資人錯失良機,甚至承擔不必要的風險。
選擇一位真正專精法拍屋的代標專家,是成功關鍵。
TORO法拍代標|業界口碑第一的法拍屋專家
📮TORO(黃瑋諭),深耕法拍屋市場超過18年,專注於法拍交易、法拍屋投資與代標服務,累積豐富實戰經驗,並以「合法、透明、專業」著稱。
✅TOROESTATE創辦人
法拍屋教學教育資深講師👨🏫
多家媒體、網路專欄不動產分析專家📢
曾參與多件大型企業辦公室、豪宅、廠房之法拍代標案件🏢
不只協助投標,更替客戶控管風險,打造長期穩定的法拍投資策略👑
✅法拍代標實績|累積成交金額突破50億
法拍成交案件數:300+件
累積成交總金額:超過50億元
102年單店成交金額:17億
111年單店成交金額:30億
👉業績來自實力,口碑來自成果。
✅為什麼選擇TORO法拍代標?
✔專業法律顧問全程把關
配合專業律師團隊確保交易合法、安全降低潛在法律風險
✔法拍物件完整調查
產權結構、登記風險全面審查使用狀況、占用與點交可能性分析避免「買到不能住、不能用的法拍屋」
✔客製化投標策略
投標價格精準分析市場行情比對依現場狀況即時調整投標金額
✅TORO法拍代標完整流程
①委託前諮詢
法拍流程完整說明
成本、稅費、銀行貸款分析
投資風險與報酬評估
②委託後分析
預估得標價格
銀行鑑價與融資可行性
現場實地調查
③投標當日
全程陪同或代理投標
現場觀察投標人數
即時判斷投標策略
④成功得標後
銀行撥款與法院流程協助
點交程序與文件處理
協助排除占用、後續出租或轉售規劃
✅法拍代標收費方式(透明公開)
⭕️點交法拍屋:3%
⭕️不點交法拍屋:5%
❌️未得標:完全不收費
👉成功才收費,與客戶站在同一陣線。
✅投標當日必備文件
⭐️投標人身分證公司投標需附法人登記資料
⭐️投標人印章/法人大小章
⭐️投標保證金(拍賣底價20%)
✅台北/新北法拍投標地點與電話
台北地方法院
台北市博愛路131號
📞(02)2314-6871
新北地方法院
新北市土城區青雲路152號6樓
📞(02)2261-6714
士林地方法院
台北市內湖區民權東路六段91號
📞(02)2791-1521
台灣金服公司
台北市大安區忠孝東路四段300號10樓
📞(02)8771-1168
✅聯絡TORO|法拍代標諮詢專線
⭐️0980-758-080
👉一對一諮詢,協助你避開法拍陷阱,精準得標。
坪數說明
建物登記總坪數
22.19
土地登記總坪數
7.41
主建物坪數
22.19
停車位坪數
附屬建物坪數
公共設施坪數
增建坪數
1.19
地下室坪數
房屋聯絡人資訊
聯絡人姓名
TORO 黃瑋諭
(煩請告知聯絡人,您是在889房屋資訊網看到這則廣告,真摯感恩您的幫忙)
手機
0980-758-080
Line加入好友
所屬公司名稱
鑫創資產管理有限公司
公司電話
0980758080
公司傳真
鑫創資產管理有限公司
公司地址
新北市新莊區中環路二段423號1樓
網 址
http://www.toro591.tw
贊助商廣告
台北公寓法拍-1
台北公寓法拍-2
台北公寓法拍-3
台北公寓法拍-4
台北公寓法拍-5
台北公寓法拍-6
台北公寓法拍-7
台北公寓法拍-8
台北公寓法拍-9
到Google查看地圖
到Google查看街景
物件留言
請注意,如果您詢問的內容與物件不相符合或是廣告,經過審核,系統將會直接刪除您的發問內容
檢舉不實
黃金曝光
萬華桂林路224巷
公寓_萬華分局公寓/3房
23.32坪
售590萬
萬華桂林路224巷
公寓/0房
23.32坪
售590萬
南港舊莊街一段29
公寓_中研市場商圈/2房
20.04坪
售643萬
中正區牯嶺街66號
公寓_店面_一樓/0房
47.58坪
售2740萬
相似物件
大同區承德路三段1
公寓/3房
22.16坪
售981萬2000元
文山區秀明路一段1
公寓/3房
30.99坪
售1005萬
信義區吳興街600
公寓/0房
27.37坪
售1383萬2000元
士林後港街20巷1
公寓/0房
22.27坪
售1321萬
www.889房屋.tw
免責聲明:本系統為租用式開放房屋買賣網站建置平台,僅提供會員查詢-
台北市士林區重慶北路四段220巷37號1樓
-等房屋資訊參考,並不涉入任何諮詢、交易。 物件(服務)聯絡人公佈的資訊、文字、照片、圖形、產權、廣告內容、或其他資料若有不實或違法情事,或與客戶聯絡交易過程中若衍生民事或刑事等法律問題,皆與本網站無關,所有商標、文章、名稱等版權,皆歸屬原著作者所有!
本網站保留一切權利,非經正式書面同意,禁止轉貼節錄。
資料處理中,請稍後...